PSR-SPP- 24DC/ESD/4X1/30
Артикул:
2981813
359 792 ₸
Цена может уточняться у менеджера
в наличие
Срок доставки: 1 - 7 дней
Описание
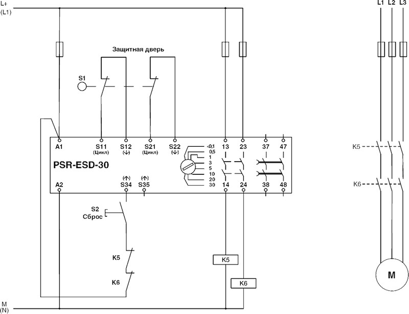
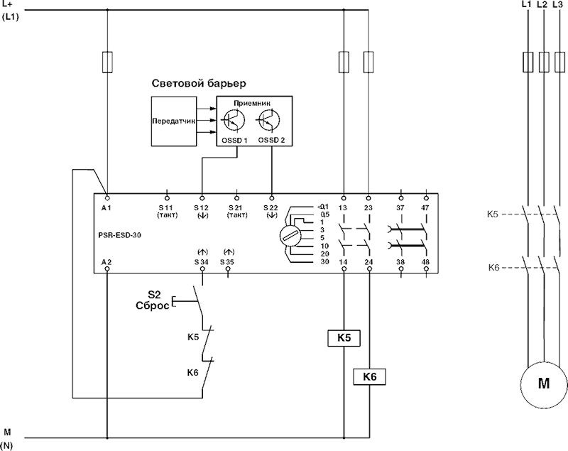
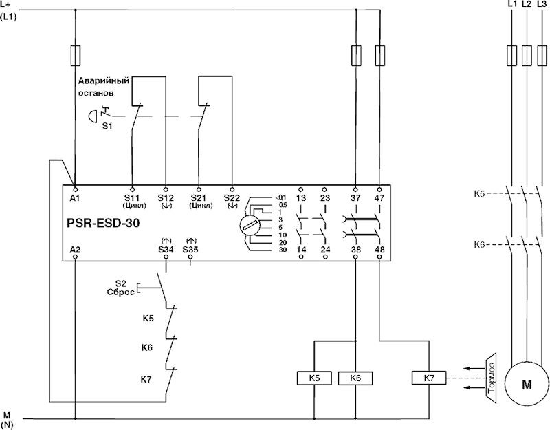
Предохранительное реле для контроля аварийного останова и защитной двери до SIL 3 или кат. 4, PL e согласно EN ISO 13849, автоматическая или ручная активация, 2 НО контакта с задержкой отключения 0,1–30 с, штекерная клемма push-in
Характеристики
China RoHS
Период времени для применения по назначению (EFUP): 50 лет
ECl@ss 4.0
40020600
ECl@ss 4.1
40020600
ECl@ss 5.0
27371900
ECl@ss 5.1
27371900
ECl@ss 6.0
27371800
ECl@ss 7.0
27371819
ECl@ss 8.0
27371819
ECl@ss 9.0
27371819
ETIM 2.0
EC001449
ETIM 3.0
EC001449
ETIM 4.0
EC001449
ETIM 5.0
EC001449
ETIM 6.0
EC001449
ETIM 7.0
EC001449
REACh SVHC
Lead 7439-92-1
UNSPSC 11
39121501
UNSPSC 12.01
39121501
UNSPSC 13.2
39121501
UNSPSC 18.0
39122205
UNSPSC 19.0
39122205
UNSPSC 20.0
39122205
UNSPSC 21.0
39122205
UNSPSC 6.01
30211901
UNSPSC 7.0901
39121501
Вес нетто
166, 88 г
Вибрация (при эксплуатации)
10 Гц ... 150 Гц, 2г
Время возврата в состояние готовности
330 мс (Перезапуск)
Время возврата, типовое
20 мс (Контакты без задержки срабатывания)
Время срабатывания, типовое
150 мс (контролируемый / ручной или автоматический пуск)
Вставной
да
Входное номинальное напряжение UN
24 В DC
Входной ток при UN, стандартный
75 мА DC
Высота
112 мм
Выходные предохранители
10 A gL/gG NEOZED (Замыкатель)
Глубина
114, 5 мм
Диапазон входных напряжений относительно UN
0, 85 ... 1, 1
Диапазон значений времени возврата, типовой
0, 1 c ... 30 c
Длина снятия изоляции
8 мм
Долговечность механическая
прибл. 107 коммутационных циклов
Защитная схема
Ограничительный диод, 33 В DC
Индикатор состояния
Светодиод K1/K2 и K3(t)/K4(t), зеленый
Индикация рабочего напряжения
LED зел.
Исполнение контакта
4 замыкающиеся цепи
Категория
4
Категория перенапряжения
II
Коммутационная способность (360/ч коммутац. циклов)
На заказ
Коммутационная способность минимальная
0, 4 Вт
Макс. допустимая влажность воздуха (хранение/транспортировка)
75 % (В среднем, 85 % кратковременно, без выпадения конденсата)
Макс. допустимая отн. влажность воздуха (при эксплуатации)
75 % (В среднем, 85 % кратковременно, без выпадения конденсата)
Макс. допустимое сопротивление кабельной системы
50 Ω (Входная цепь и цепь сброса при UN)
Максимальное напряжение переключения
250 В AC/DC
Максимальный пусковой ток
6 A
Макс. ток продолжительной нагрузки
6 A (Замыкатель)
Материал контакта
AgSnO2
Минимальное напряжение переключения
15 В AC/DC
Минимальный пусковой ток
25 мА
Мин. степень защиты на месте установки
IP54
Монтажное положение
на выбор
Мощность отключения (активная нагрузка), максимальная
144 Вт (24 В постоянного тока, τ = 0 мс)
Мощность отключения (индуктивная нагрузка), максимальная
42 Вт (24 В DC, τ = 40 мс)
Наименование
EN ISO 13849
Напряжение входной, пусковой и обратной цепи
около 24 В DC
Нормальный режим работы
100 % ED
Ограничение износа
ЭМС: продукт класса А, см. декларацию производителя в разделе загрузок
Ограничение претензий касательно класса безопасности (SIL CL)
3
Рабочая высота
≤ 2000 м (через NN)
Расчетное импульсное напряжение / изоляция
4 кВ / базовая изоляция
Расчетное напряжение изоляции
250 В
Сечение гибкого проводника макс.
1, 5 мм²
Сечение гибкого проводника мин.
0, 2 мм²
Сечение жесткого проводника макс.
1, 5 мм²
Сечение жесткого проводника мин.
0, 2 мм²
Сечение провода AWG макс.
16
Сечение провода AWG мин.
24
Среднеквадрат. значение суммарного тока
120 A2 (см. Изменение хар-к)
Стандарты / нормативные документы
DIN EN 60947-1
Степень загрязнения
2
Степень защиты
IP20
Температура окружающей среды (при эксплуатации)
-20 °C ... 45 °C
Температура окружающей среды (хранение/транспорт)
-40 °C ... 70 °C
Тип монтажа
Установка на монтажной рейке
Тип подключения
Зажимы Push-in
Тип реле
Электромеханическое реле с контактами с принудительной коммутацией согласно EN 50205
Ударопрочность
15г
Уровень эффективности (PL)
e
Уровни совокупной безопасности (SIL)
3
Ширина
22, 5 мм
Похожие товары
Смотреть все →
EMG 90-DIO 32M
2954934
148 927 ₸
EMG 90-DIO 32P
2954918
140 493 ₸
EMG 90-DIO 17E
2954895
117 431 ₸
EMG 45-DIO 8M-1N5408
2954882
52 829 ₸
EMG 45-DIO 8P-1N5408
2954879
56 003 ₸
EMG 90-DIO 16E/LP
2954808
120 270 ₸
EMG 45-DIO 8E/LP
2954798
56 921 ₸
EMG 90-DIO 32M/LP
2954785
130 456 ₸