PSR-SCP- 24DC/ESD/4X1/30
Артикул:
2981800
350 068 ₸
Цена может уточняться у менеджера
в наличие
Срок доставки: 1 - 7 дней
Описание
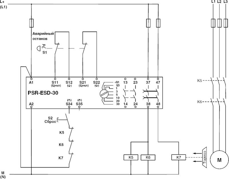
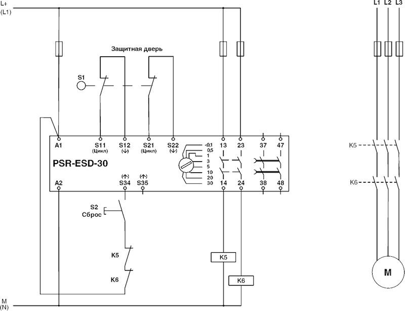
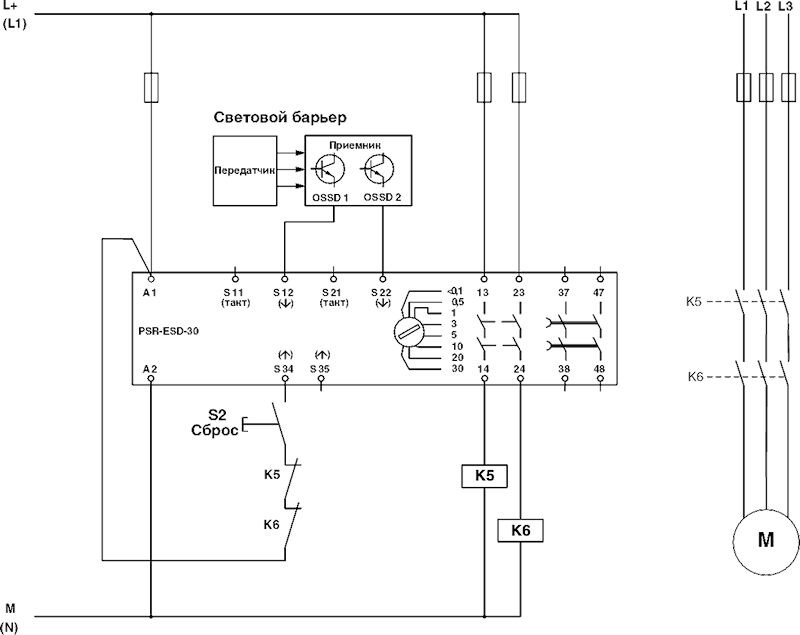
Реле безопасности для контроля аварийного останова и защитной дверцы до SIL 3 или кат. 4, PL e согласно EN ISO 13849, автоматическая или ручная активация, 2 замыкающих контакта с задержкой отключения от 0,1 сек до 30 сек, втычная винтовая клемма
Характеристики
China RoHS
Период времени для применения по назначению (EFUP): 50 лет
ECl@ss 4.0
40020600
ECl@ss 4.1
40020600
ECl@ss 5.0
27371900
ECl@ss 5.1
27371900
ECl@ss 6.0
27371800
ECl@ss 7.0
27371819
ECl@ss 8.0
27371819
ECl@ss 9.0
27371819
ETIM 2.0
EC001449
ETIM 3.0
EC001449
ETIM 4.0
EC001449
ETIM 5.0
EC001449
ETIM 6.0
EC001449
ETIM 7.0
EC001449
REACh SVHC
Lead 7439-92-1
UNSPSC 11
39121501
UNSPSC 12.01
39121501
UNSPSC 13.2
39121501
UNSPSC 18.0
39122205
UNSPSC 19.0
39122205
UNSPSC 20.0
39122205
UNSPSC 21.0
39122205
UNSPSC 6.01
30211901
UNSPSC 7.0901
39121501
Вес нетто
198, 9 г
Вибрация (при эксплуатации)
10 Гц ... 150 Гц, 2г
Время возврата в состояние готовности
330 мс (Перезапуск)
Время возврата, типовое
20 мс (Контакты без задержки срабатывания)
Время срабатывания, типовое
150 мс (контролируемый / ручной или автоматический пуск)
Вставной
да
Входное номинальное напряжение UN
24 В DC
Входной ток при UN, стандартный
75 мА DC
Высота
99 мм
Выходные предохранители
10 A gL/gG NEOZED (Замыкатель)
Глубина
114, 5 мм
Диапазон входных напряжений относительно UN
0, 85 ... 1, 1
Диапазон значений времени возврата, типовой
0, 1 c ... 30 c
Длина снятия изоляции
7 мм
Долговечность механическая
прибл. 107 коммутационных циклов
Защитная схема
Ограничительный диод, 33 В DC
Индикатор состояния
Светодиод K1/K2 и K3(t)/K4(t), зеленый
Индикация рабочего напряжения
LED зел.
Исполнение контакта
4 замыкающиеся цепи
Категория
4
Категория перенапряжения
II
Коммутационная способность (360/ч коммутац. циклов)
На заказ
Коммутационная способность минимальная
0, 4 Вт
Макс. допустимая влажность воздуха (хранение/транспортировка)
75 % (В среднем, 85 % кратковременно, без выпадения конденсата)
Макс. допустимая отн. влажность воздуха (при эксплуатации)
75 % (В среднем, 85 % кратковременно, без выпадения конденсата)
Макс. допустимое сопротивление кабельной системы
500 Ω (Входная цепь и цепь сброса при UN)
Максимальное напряжение переключения
250 В AC/DC
Максимальный пусковой ток
6 A
Макс. ток продолжительной нагрузки
6 A (Замыкатель)
Материал контакта
AgSnO2
Минимальное напряжение переключения
15 В AC/DC
Минимальный пусковой ток
25 мА
Мин. степень защиты на месте установки
IP54
Монтажное положение
на выбор
Мощность отключения (активная нагрузка), максимальная
144 Вт (24 В постоянного тока, τ = 0 мс)
Мощность отключения (индуктивная нагрузка), максимальная
42 Вт (24 В DC, τ = 40 мс)
Наименование
EN ISO 13849
Напряжение входной, пусковой и обратной цепи
около 24 В DC
Нормальный режим работы
100 % ED
Ограничение износа
ЭМС: продукт класса А, см. декларацию производителя в разделе загрузок
Ограничение претензий касательно класса безопасности (SIL CL)
3
Рабочая высота
≤ 2000 м (через NN)
Расчетное импульсное напряжение / изоляция
4 кВ / базовая изоляция
Расчетное напряжение изоляции
250 В
Резьба винтов
M3
Сечение гибкого проводника макс.
2, 5 мм²
Сечение гибкого проводника мин.
0, 2 мм²
Сечение жесткого проводника макс.
2, 5 мм²
Сечение жесткого проводника мин.
0, 2 мм²
Сечение провода AWG макс.
12
Сечение провода AWG мин.
24
Среднеквадрат. значение суммарного тока
120 A2 (см. Изменение хар-к)
Стандарты / нормативные документы
DIN EN 60947-1
Степень загрязнения
2
Степень защиты
IP20
Температура окружающей среды (при эксплуатации)
-20 °C ... 45 °C
Температура окружающей среды (хранение/транспорт)
-40 °C ... 70 °C
Тип монтажа
Установка на монтажной рейке
Тип подключения
Винтовые зажимы
Тип реле
Электромеханическое реле с контактами с принудительной коммутацией согласно EN 50205
Ударопрочность
15г
Уровень эффективности (PL)
e
Уровни совокупной безопасности (SIL)
3
Ширина
22, 5 мм
Похожие товары
Смотреть все →
EMG 90-DIO 32M
2954934
148 927 ₸
EMG 90-DIO 32P
2954918
140 493 ₸
EMG 90-DIO 17E
2954895
117 431 ₸
EMG 45-DIO 8M-1N5408
2954882
52 829 ₸
EMG 45-DIO 8P-1N5408
2954879
56 003 ₸
EMG 90-DIO 16E/LP
2954808
120 270 ₸
EMG 45-DIO 8E/LP
2954798
56 921 ₸
EMG 90-DIO 32M/LP
2954785
130 456 ₸