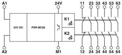
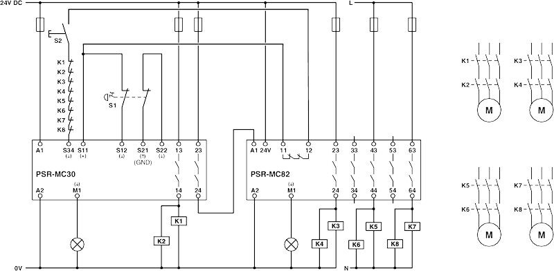
PSR-MC82-5NO-1NC-1DO-24DC-SP
Артикул:
2702383
191 841 ₸
Цена может уточняться у менеджера
в наличие
Срок доставки: 1 - 7 дней
Описание
Расширение контактов до SILCL 3, кат. 4, PL e в сочетании с подходящим устройством обработки данных, 5 цепей активации, US = 24 В DC, вставная клемма push-in
Характеристики
China RoHS
Период времени для применения по назначению (EFUP): 50 лет
ECl@ss 4.0
40020600
ECl@ss 4.1
40020600
ECl@ss 5.0
27371900
ECl@ss 5.1
27371900
ECl@ss 6.0
27371800
ECl@ss 7.0
27371819
ECl@ss 8.0
27371819
ECl@ss 9.0
27371819
ETIM 3.0
EC001449
ETIM 4.0
EC001449
ETIM 5.0
EC001449
ETIM 6.0
EC001449
ETIM 7.0
EC001449
REACh SVHC
Lead 7439-92-1
UNSPSC 13.2
39121501
UNSPSC 18.0
39122205
UNSPSC 19.0
39122205
UNSPSC 20.0
39122205
UNSPSC 21.0
39122205
Вес нетто
210, 1 г
Вибрация (при эксплуатации)
10 Гц ... 150 Гц, 2г (При нагрузке в результате вибрации допускается увеличение продолжительности реакции контакта до 1 мс.)
Время фильтрации
4 мс (на A1 при резком падении напряжения при Us)
Вставной
да
Высота
116, 6 мм
Выходные предохранители
10 A gL / gG
Глубина
114, 5 мм
Длина оголяемой части
8 мм
Долговечность механическая
10x 106 коммутационных циклов
Защита от короткого замыкания
да
Защитная схема
Защита от перенапр. Cтабилитроны
Индикатор состояния
2 зеленых светодиода
Исполнение контакта
5 цепей активации
Категория
4 (в сочетании с подходящим устройством обработки данных)
Категория перенапряжения
III
Количество выходов
5 (без задержки)
Коммутационная способность
мин. 50 мВт
Макс. допустимая влажность воздуха (хранение/транспортировка)
75 % (В среднем, 85 % кратковременно, без выпадения конденсата)
Макс. допустимая отн. влажность воздуха (при эксплуатации)
75 % (В среднем, 85 % кратковременно, без выпадения конденсата)
Максимальный пусковой ток
500 мА (Δt = 1 мс при Us)
Макс. ток продолжительной нагрузки
6 A (Cоблюдайте кривые)
Материал контакта
AgSnO2
Мин. степень защиты на месте установки
IP54
Монтажное положение
вертикальное или горизонтальное
Наименование
A1/A2
Наименование, выход
Цепи активации
Напряжение
тип. 23 В DC (US - 1 В)
Напряжение переключения
мин. 5 В AC/DC
Номинальный ток питания цепи управления IS
тип. 80 мА
Нормальный режим работы
100 % ED
Ограничение износа
ЭМС: продукт класса А, см. декларацию производителя в разделе загрузок
Ограничение претензий касательно класса безопасности (SIL CL)
3 (в сочетании с подходящим устройством обработки данных)
Описание выходов
безопасные замыкающие контакты
Потребляемая мощность на US
тип. 1, 92 Вт
Пусковой ток
30 мА (Δt = 7 мс при Us)
Рабочая высота
макс. 2000 м (через NN)
Расчетное импульсное напряжение / изоляция
Базовая изоляция 4 кВ между всеми токовыми цепями
Расчетное напряжение изоляции
250 В AC
Расчетное напряжение питания цепи управления US
24 В DC -20 % / +25 %
Сечение гибкого провода
0, 2 мм² ... 1, 5 мм²
Сечение гибкого проводника с кабельным наконечником, без пластмассовой втулки
0, 25 мм² ... 1, 5 мм² (только вместе с CRIMPFOX 6)
Сечение гибкого проводника с кабельным наконечником и изолирующим хомутом
0, 25 мм² ... 1, 5 мм² (только вместе с CRIMPFOX 6)
Сечение жесткого провода
0, 2 мм² ... 1, 5 мм²
Сечение провода AWG / kcmil
24 ... 16
Соответствие нормам
Соответствие CE
Среднеквадрат. значение суммарного тока
64 A2 (Cоблюдайте кривые)
Стандарты / нормативные документы
DIN EN 50178
Степень загрязнения
2
Степень защиты
IP20
Температура окружающей среды (при эксплуатации)
-20 °C ... 60 °C (Cоблюдайте кривые)
Температура окружающей среды (хранение/транспорт)
-40 °C ... 80 °C
Тип монтажа
Установка на монтажной рейке
Тип подключения
Пружинные зажимы Push-in
Тип реле
Электромеханическое реле с контактами с принудительной коммутацией согласно EN 50205
Ток
макс. 100 мА
Ударопрочность
15г (при нагрузке в результате механического воздействия допускается увеличение времени реагирования контактов до 6 мс).
Указания по монтажу
см. график зависимости от темп.
Уровень эффективности (PL)
e (в сочетании с подходящим устройством обработки данных)
Уровни совокупной безопасности (SIL)
3 (в сочетании с подходящим устройством обработки данных)
Цвет корпуса
желтый
Частота коммутации
0, 5 Гц
Частота переключения
макс. 0, 5 Гц
Ширина
17, 5 мм
Похожие товары
Смотреть все →
EMG 90-DIO 32M
2954934
148 927 ₸
EMG 90-DIO 32P
2954918
140 493 ₸
EMG 90-DIO 17E
2954895
117 431 ₸
EMG 45-DIO 8M-1N5408
2954882
52 829 ₸
EMG 45-DIO 8P-1N5408
2954879
56 003 ₸
EMG 90-DIO 16E/LP
2954808
120 270 ₸
EMG 45-DIO 8E/LP
2954798
56 921 ₸
EMG 90-DIO 32M/LP
2954785
130 456 ₸