PSR-MC32-3NO-1NC-24-230UC-SP
Артикул:
2700525
365 339 ₸
Цена может уточняться у менеджера
в наличие
Срок доставки: 1 - 7 дней
Описание
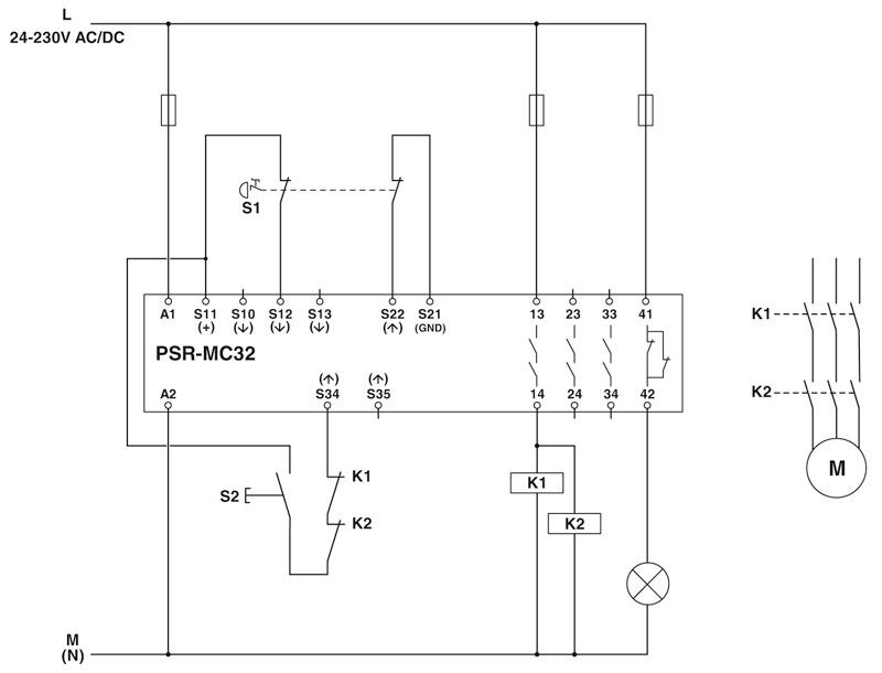
Предохранительное реле для аварийного останова, защитных дверей и световых завес до SILCL 3, кат. 4, PL e, 1- или 2-канальный режим, автоматический или ручной, контроль пуска, 3 цепи активации, 1 цепь сигнального тока, US = 24 ... 230 В AC/DC, вставная клемма push-in
Характеристики
China RoHS
Период времени для применения по назначению (EFUP): 50 лет
ECl@ss 4.0
40020600
ECl@ss 4.1
40020600
ECl@ss 5.0
27371900
ECl@ss 5.1
27371900
ECl@ss 6.0
27371800
ECl@ss 7.0
27371819
ECl@ss 8.0
27371819
ECl@ss 9.0
27371819
ETIM 3.0
EC001449
ETIM 4.0
EC001449
ETIM 5.0
EC001449
ETIM 6.0
EC001449
ETIM 7.0
EC001449
REACh SVHC
Lead 7439-92-1
UNSPSC 13.2
39121501
UNSPSC 18.0
39122205
UNSPSC 19.0
39122205
UNSPSC 20.0
39122205
UNSPSC 21.0
39122205
Вес нетто
235, 4 г
Вибрация (при эксплуатации)
10 Гц ... 150 Гц, 2г
Время фильтрации
2 мс (на A1 при резком падении напряжения при Us)
Вставной
да
Высота
117, 4 мм
Выходные предохранители
6 A gL / gG
Глубина
114, 5 мм
Диапазон входного тока cигнал "0"
0 мА ... 2 мА (для безопасного ОТКЛ; на S10/S12/S13)
Диапазон входных напряжений, сигнал "0"
0 В DC ... 5 В DC (для безопасного ОТКЛ; на S10/S12/S13)
Длина оголяемой части
8 мм
Долговечность механическая
10x 106 коммутационных циклов
Защитная схема
US: защита от перенапряжений Варистор 275 В / ограничительный диод 411 В
Защитная цепь / модуль
Ограничительный диод 38, 6 В
Индикатор состояния
3 x LED зел.
Индикация рабочего напряжения
1 x СИД зеленый.
Исполнение контакта
3 цепи активации
Кажущаяся мощность
тип. 5 ВА (при US)
Категория
4 (5 A DC13; 5 A AC15; 8760 коммутационных циклов/год)
Категория перенапряжения
III
Количество входов
2
Количество выходов
3 (без задержки)
Коммутационная способность
мин. 50 мВт
Коммутационная способность согласно МЭК 60947-5-1
5 A (24 В (DC13))
Макс. допустимая влажность воздуха (хранение/транспортировка)
75 % (В среднем, 85 % кратковременно, без выпадения конденсата)
Макс. допустимая отн. влажность воздуха (при эксплуатации)
75 % (В среднем, 85 % кратковременно, без выпадения конденсата)
Макс. допустимое сопротивление кабельной системы
150 Ω
Макс. ток продолжительной нагрузки
6 A (Cоблюдайте кривые)
Материал контакта
AgSnO2
Материал корпуса
PBT
Мин. степень защиты на месте установки
IP54
Монтажное положение
вертикальное или горизонтальное
Мощность отключения (активная нагрузка), максимальная
1500 ВА (250 В AC, τ = 0 мс)
Мощность отключения (индуктивная нагрузка), максимальная
48 Вт (24 В DC, τ = 40 мс)
Наименование
A1/A2
Наименование, вход
Цепь датчика
Наименование, выход
Цепи активации
Наименование защиты
Входы: защита от подключения с неправильной полярностью, защита от перенапряжений
Напряжение переключения
мин. 5 В AC/DC
Номинальный ток питания цепи управления IS
тип. 103 мА (24 В DC)
Нормальный режим работы
100 % ED
Ограничение износа
ЭМС: продукт класса А, см. декларацию производителя в разделе загрузок
Ограничение претензий касательно класса безопасности (SIL CL)
3
Описание входа
входы датчиков с функцией безопасности
Описание выходов
безопасные замыкающие контакты
Потребляемая мощность на US
2, 7 Вт (при DC)
Потребляемый ток
s/Ix на S10/S12/S13)
Пусковой ток
s)
Рабочая высота
≤ 2000 м (через NN)
Расчетное импульсное напряжение / изоляция
Базовая изоляция 4 кВ между цепями активации (23/24) и (33/34) и сигнальной цепью (41/42)
Расчетное напряжение изоляции
250 В AC
Расчетное напряжение питания цепи управления US
24 В AC/DC ... 230 В AC/DC -15 % / +10 %
Сечение гибкого провода
0, 2 мм² ... 1, 5 мм²
Сечение гибкого проводника с кабельным наконечником, без пластмассовой втулки
0, 25 мм² ... 1, 5 мм² (только вместе с CRIMPFOX 6)
Сечение гибкого проводника с кабельным наконечником и изолирующим хомутом
0, 25 мм² ... 1, 5 мм² (только вместе с CRIMPFOX 6)
Сечение жесткого провода
0, 2 мм² ... 1, 5 мм²
Сечение провода AWG / kcmil
24 ... 16
Синхронность, вход 1/2
∞
Соответствие нормам
Соответствие CE
Среднеквадрат. значение суммарного тока
72 A2 (Cоблюдайте кривые)
Стандарты / нормативные документы
DIN EN 50178; EN 60947-5-1
Степень загрязнения
2
Степень защиты
IP20
Температура окружающей среды (при эксплуатации)
-40 °C ... 55 °C (Cоблюдайте кривые)
Температура окружающей среды (хранение/транспорт)
-40 °C ... 85 °C
Тип монтажа
Установка на монтажной рейке
Тип подключения
Пружинные зажимы Push-in
Тип реле
Электромеханическое реле с контактами с принудительной коммутацией согласно EN 50205
Ударопрочность
15г
Указания по монтажу
см. график зависимости от темп.
Уровень эффективности (PL)
e
Уровни совокупной безопасности (SIL)
3
Цвет корпуса
желтый
Частота коммутации
макс. 1 Гц
Частота переключения
1 Гц
Ширина
22, 5 мм
Похожие товары
Смотреть все →
EMG 90-DIO 32M
2954934
148 927 ₸
EMG 90-DIO 32P
2954918
140 493 ₸
EMG 90-DIO 17E
2954895
117 431 ₸
EMG 45-DIO 8M-1N5408
2954882
52 829 ₸
EMG 45-DIO 8P-1N5408
2954879
56 003 ₸
EMG 90-DIO 16E/LP
2954808
120 270 ₸
EMG 45-DIO 8E/LP
2954798
56 921 ₸
EMG 90-DIO 32M/LP
2954785
130 456 ₸