MINI MCR-TC-UI-NC
Артикул:
2902851
261 056 ₸
Цена может уточняться у менеджера
в наличие
Срок доставки: 1 - 7 дней
Описание
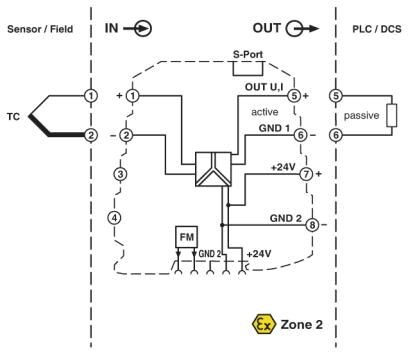
Настраиваемый измерительный преобразователь для подключения термоэлементов. Для конфигурирования может использоваться DIP-переключатель или в случае использования устройства расширенной функциональности - программное приложение. Винтовой разъем, стандартная конфигурация.
Характеристики
ATEX
II 3 G Ex nA IIC T4 Gc X
China RoHS
Период времени для применения по назначению (EFUP): 50 лет
ECl@ss 4.0
27200200
ECl@ss 4.1
27200200
ECl@ss 5.0
27200200
ECl@ss 5.1
27200200
ECl@ss 6.0
27200200
ECl@ss 7.0
27200206
ECl@ss 8.0
27200206
ECl@ss 9.0
27210129
ETIM 2.0
EC001446
ETIM 3.0
EC001446
ETIM 4.0
EC001446
ETIM 5.0
EC001446
ETIM 6.0
EC002919
ETIM 7.0
EC002919
REACh SVHC
Lead 7439-92-1
UL, США / Канада
UL 508 Listed
UNSPSC 11
39121008
UNSPSC 12.01
39121008
UNSPSC 13.2
41112105
UNSPSC 18.0
41112105
UNSPSC 19.0
41112105
UNSPSC 20.0
41112105
UNSPSC 21.0
41112105
UNSPSC 6.01
30211506
UNSPSC 7.0901
39121008
Высота
93, 1 мм
Выходной сигнал, напряжение
0 В ... 10 В
Выходной сигнал, ток
0 мА ... 20 мА
Гальваническая развязка
Основная изоляция согласно EN 61010
Глубина
101, 2 мм
Диапазон измерения температуры
-250 °C ... 2500 °C (Диапазон зависит от типа датчика и плавно регулируется с помощью ПО или ступенчато с помощью DIP-переключателей в интервале от -150 °C до 1350 °C)
Диапазон напряжения питания
9, 6 В DC ... 30 В DC (Для шунтирования питания может использоваться устанавливаемый на монтажную рейку шинный соединитель (ME 6, 2 TBUS-2 1, 5/5-ST-3, 81 GN, артикул № 2869728), закрепляемый с помощью защелок на монтажной рейке 35 мм согласно EN 60715)
Длина снятия изоляции
12 мм
Допустимая отн. влажность воздуха (при эксплуатации)
5 % ... 95 % (без выпадения конденсата)
Защитная схема
Защита от бросков тока при переходных процессах
Излучение помех
EN 61000-6-4
Индикатор состояния
СИД красный
Испытательное напряжение, вход / выход / питание
1, 5 кВ (50 Гц, 1 мин)
Категория перенапряжения
II
Количество выходов
1
Конфигурируемый / программируемый
есть
Макс. выходное напряжение
около 12, 3 В
Макс. выходной ток
24, 6 мА
Материал корпуса
PBT
Монтажное положение
на выбор
Нагрузка / выходная нагрузка, выход напряжения
≥ 10 кΩ
Наименование
Электромагнитное высокочастотное поле
Ограничение износа
ЭМС: продукт класса А, см. декларацию производителя в разделе загрузок
Ошибка передачи, термоэлементы
0, 1 % * 600 K / заданный измерительный диапазон; 0, 1 % > 600 K (E, J, K, N, T, L, U, M Gost, L Gost)
Помехоустойчивость
EN 61000-6-2 В случае электромагнитных помех возможны незначительные отклонения.
Потребляемая мощность
≤ 700 мВт (при IOUT = 20 мА, 9, 6 В DC, 500 Ω нагрузка)
Потребляемый ток, макс.
72 мА
Применяемые типы датчиков (TC)
B, E, J, K, N, R, S, T, L, U, A-1, A-2, A-3, M, L
Противопожарная защита рельсовых ТС (DIN EN 45545-2) R22
HL 1 - HL 2
Противопожарная защита рельсовых ТС (DIN EN 45545-2) R23
HL 1 - HL 2
Противопожарная защита рельсовых ТС (DIN EN 45545-2) R24
HL 1 - HL 2
Пульсации
(ДА)
Расчетное напряжение изоляции
50 В AC/DC
Резьба винтов
M3
Сертификат для мореплавания
DNV GL 14085-15HH
Сечение гибкого провода
0, 2 мм² ... 2, 5 мм²
Сечение жесткого провода
0, 2 мм² ... 2, 5 мм²
Сечение проводника AWG
26 ... 12
Соответствие нормам
Соответствие CE
Стандарты / нормативные документы
EN 61000-4-3
Степень загрязнения
2
Степень защиты
IP20
Температура окружающей среды (при эксплуатации)
-20 °C ... 65 °C
Температура окружающей среды (хранение/транспорт)
-40 °C ... 85 °C
Температурный коэффициент, максимальный
≤ 0, 01 %/K
Типичное отклонение от конечного значения измерительного диапазона
0, 15 %
Тип подключения
Винтовые зажимы
Цвет
зеленый
Ширина
6, 2 мм
Электромагнитная совместимость
Соответствует Директиве по ЭМС
Похожие товары
Смотреть все →
EMG 90-DIO 32M
2954934
148 927 ₸
EMG 90-DIO 32P
2954918
140 493 ₸
EMG 90-DIO 17E
2954895
117 431 ₸
EMG 45-DIO 8M-1N5408
2954882
52 829 ₸
EMG 45-DIO 8P-1N5408
2954879
56 003 ₸
EMG 90-DIO 16E/LP
2954808
120 270 ₸
EMG 45-DIO 8E/LP
2954798
56 921 ₸
EMG 90-DIO 32M/LP
2954785
130 456 ₸