MINI MCR-SL-U-I-0
Артикул:
2813512
212 675 ₸
Цена может уточняться у менеджера
в наличие
Срок доставки: 1 - 7 дней
Описание
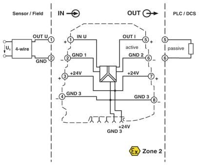
Разделительный усилитель MCR с гальванической развязкой трех цепей, для гальванической развязки цепей аналоговых сигналов, с винтовыми клеммами, входной сигнал: 0 В ... 10 В, выходной сигнал: 0 мA ...20 мA
Характеристики
ATEX
II 3 G Ex nA IIC T4 Gc X
China RoHS
Период времени для применения по назначению (EFUP): 50 лет
ECl@ss 4.0
27210100
ECl@ss 4.1
27210100
ECl@ss 5.0
27210100
ECl@ss 5.1
27210100
ECl@ss 6.0
27210100
ECl@ss 7.0
27210120
ECl@ss 8.0
27210120
ECl@ss 9.0
27210120
ETIM 4.0
EC002653
ETIM 5.0
EC002653
ETIM 6.0
EC002653
ETIM 7.0
EC002653
GL
GL EMC 2 D
REACh SVHC
Lead 7439-92-1
UL, США / Канада
UL 508 одобр.
UNSPSC 11
39121008
UNSPSC 12.01
39121008
UNSPSC 13.2
39121008
UNSPSC 18.0
39121008
UNSPSC 19.0
39121008
UNSPSC 20.0
39121008
UNSPSC 21.0
39121008
UNSPSC 6.01
30211506
UNSPSC 7.0901
39121008
Входное сопротивление, вход напряжения
около 100 кΩ
Входной сигнал напряжения
0 В ... 10 В
Высота
93, 1 мм
Выходной сигнал, ток
0 мА ... 20 мА
Гальваническая развязка
Основная изоляция согласно EN 61010
Глубина
101, 2 мм
Диапазон напряжения питания
19, 2 В DC ... 30 В DC (Для шунтирования питания может использоваться устанавливаемый на монтажную рейку шинный соединитель (ME 6, 2 TBUS-2 1, 5/5-ST-3, 81 GN, артикул № 2869728), закрепляемый с помощью защелок на монтажной рейке 35 мм согласно EN 60715)
Длина снятия изоляции
12 мм
Допустимая отн. влажность воздуха (при эксплуатации)
5 % ... 95 % (без выпадения конденсата)
Излучение помех
EN 61000-6-4
Испытательное напряжение, вход / выход / питание
1, 5 кВ (50 Гц, 1 мин)
Категория перенапряжения
II
Количество входов
1
Количество выходов
1
Количество каналов
1
Конфигурируемый / программируемый
нет
Макс. входное напряжение
30 В
Макс. выходной ток
28 мА
Макс. рабочая высота
≤ 2000 м
Материал корпуса
PBT
Монтажное положение
на выбор
Нагрузка / выходная нагрузка, выход тока
≤ 500 Ω
Наименование
Электромагнитное высокочастотное поле
Номинальное напряжение питания
24 В DC
Ограничение износа
ЭМС: продукт класса А, см. декларацию производителя в разделе загрузок
Ошибка передачи, макс.
≤ 0, 1 % (от предела)
Подключение согласно стандарту
CUL
Помехоустойчивость
EN 61000-6-2 В случае электромагнитных помех возможны незначительные отклонения.
Предельная частота (3 дБ)
около 100 Гц
Противопожарная защита рельсовых ТС (DIN EN 45545-2) R22
HL 1 - HL 2
Противопожарная защита рельсовых ТС (DIN EN 45545-2) R23
HL 1 - HL 2
Противопожарная защита рельсовых ТС (DIN EN 45545-2) R24
HL 1 - HL 2
Пульсации
(ДА) (при 500 Ом)
Расчетное напряжение изоляции
30 В AC
Резьба винтов
M3
Сечение гибкого провода
0, 2 мм² ... 2, 5 мм²
Сечение жесткого провода
0, 2 мм² ... 2, 5 мм²
Сечение проводника AWG
26 ... 12
Соответствие нормам
Соответствие CE
Стандарты / нормативные документы
EN 61000-4-3
Степень загрязнения
2
Степень защиты
IP20
Ступенчатая характеристика (10-90%)
около 3, 5 мс
Температура окружающей среды (при эксплуатации)
-20 °C ... 65 °C
Температура окружающей среды (хранение/транспорт)
-40 °C ... 85 °C
Типичное отклонение от конечного значения измерительного диапазона
5 %
Тип подключения
Винтовые зажимы
Указания по монтажу
Для подключения питания может использоваться Т-образный соединитель, закрепляемый с помощью защелок на монтажной рейке 35 мм согласно EN 60715.
Цвет
зеленый
Ширина
6, 2 мм
Электромагнитная совместимость
Соответствует Директиве по ЭМС
Похожие товары
Смотреть все →
EMG 90-DIO 32M
2954934
148 927 ₸
EMG 90-DIO 32P
2954918
140 493 ₸
EMG 90-DIO 17E
2954895
117 431 ₸
EMG 45-DIO 8M-1N5408
2954882
52 829 ₸
EMG 45-DIO 8P-1N5408
2954879
56 003 ₸
EMG 90-DIO 16E/LP
2954808
120 270 ₸
EMG 45-DIO 8E/LP
2954798
56 921 ₸
EMG 90-DIO 32M/LP
2954785
130 456 ₸