MINI MCR-SL-SHUNT-UI-NC
Артикул:
2810780
210 711 ₸
Цена может уточняться у менеджера
в наличие
Срок доставки: 1 - 7 дней
Описание
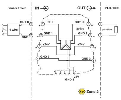
Разделительный усилитель MCR с гальванической развязкой трех цепей, с конфигурируемым входом / выходом, для гальванической развязки и преобразования аналоговых сигналов в диапазоне милливольт, однополярные, а также биполярные с винтовыми клеммами, предварительно не сконфигурирован
Характеристики
ATEX
II 3 G Ex nA IIC T4 Gc X
China RoHS
Период времени для применения по назначению (EFUP): 50 лет
ECl@ss 4.0
27210100
ECl@ss 4.1
27210100
ECl@ss 5.0
27210100
ECl@ss 5.1
27210100
ECl@ss 6.0
27210100
ECl@ss 7.0
27210120
ECl@ss 8.0
27210120
ECl@ss 9.0
27210120
ETIM 4.0
EC002653
ETIM 5.0
EC002653
ETIM 6.0
EC002653
ETIM 7.0
EC002653
REACh SVHC
Lead 7439-92-1
UL, США / Канада
UL 508 одобр.
UNSPSC 11
39121008
UNSPSC 12.01
39121008
UNSPSC 13.2
39121008
UNSPSC 18.0
39121008
UNSPSC 19.0
39121008
UNSPSC 20.0
39121008
UNSPSC 21.0
39121008
UNSPSC 6.01
30211506
UNSPSC 7.0901
39121008
Входное сопротивление, вход напряжения
около 10 кΩ
Входной сигнал напряжения
-50 мВ ... 50 мВ
Высота
93, 1 мм
Выходной сигнал, напряжение
0 В ... 10 В
Выходной сигнал, ток
0 мА ... 20 мА
Гальваническая развязка
Основная изоляция согласно EN 61010
Глубина
101, 2 мм
Диапазон напряжения питания
19, 2 В DC ... 30 В DC
Длина снятия изоляции
12 мм
Допустимая отн. влажность воздуха (при эксплуатации)
5 % ... 95 % (без выпадения конденсата)
Излучение помех
EN 61000-6-4
Испытательное напряжение, вход / выход / питание
1, 5 кВ (50 Гц, 1 мин)
Категория перенапряжения
II
Количество входов
1
Количество выходов
1
Количество каналов
1
Конфигурируемый / программируемый
да, не сконфигурирован
Макс. входное напряжение
около 3 В DC
Макс. рабочая высота
≤ 2000 м
Материал корпуса
PBT
Монтажное положение
на выбор
Нагрузка / выходная нагрузка, выход напряжения
≥ 10 кΩ
Наименование
Электромагнитное высокочастотное поле
Номинальное напряжение питания
24 В DC
Ограничение износа
ЭМС: продукт класса А, см. декларацию производителя в разделе загрузок
Ошибка передачи, макс.
≤ 0, 2 %
Подключение согласно стандарту
CUL
Помехоустойчивость
EN 61000-6-2 В случае электромагнитных помех возможны незначительные отклонения.
Предельная частота (3 дБ)
100 Гц / 30 Гц переключаемый
Противопожарная защита рельсовых ТС (DIN EN 45545-2) R22
HL 1 - HL 2
Противопожарная защита рельсовых ТС (DIN EN 45545-2) R23
HL 1 - HL 2
Противопожарная защита рельсовых ТС (DIN EN 45545-2) R24
HL 1 - HL 2
Пульсации
(ДА) (при 500 Ом)
Расчетное напряжение изоляции
30 В AC
Резьба винтов
M3
Сертификат для мореплавания
DNV GL TAA00000N1
Сечение гибкого провода
0, 2 мм² ... 2, 5 мм²
Сечение жесткого провода
0, 2 мм² ... 2, 5 мм²
Сечение проводника AWG
26 ... 12
Соответствие нормам
Соответствие CE
Способ подключения
2-проводная схема
Стандарты / нормативные документы
EN 61000-4-3
Степень загрязнения
2
Степень защиты
IP20
Ступенчатая характеристика (10-90%)
3, 5 мс (при 100 Гц)
Температура окружающей среды (при эксплуатации)
-20 °C ... 65 °C
Температура окружающей среды (хранение/транспорт)
-40 °C ... 85 °C
Типичное отклонение от конечного значения измерительного диапазона
6 %
Тип подключения
Винтовые зажимы
Указания по монтажу
Для подключения питания может использоваться Т-образный соединитель, закрепляемый с помощью защелок на монтажной рейке 35 мм согласно EN 60715.
Цвет
зеленый
Ширина
6, 2 мм
Электромагнитная совместимость
Соответствует Директиве по ЭМС
Похожие товары
Смотреть все →
EMG 90-DIO 32M
2954934
148 927 ₸
EMG 90-DIO 32P
2954918
140 493 ₸
EMG 90-DIO 17E
2954895
117 431 ₸
EMG 45-DIO 8M-1N5408
2954882
52 829 ₸
EMG 45-DIO 8P-1N5408
2954879
56 003 ₸
EMG 90-DIO 16E/LP
2954808
120 270 ₸
EMG 45-DIO 8E/LP
2954798
56 921 ₸
EMG 90-DIO 32M/LP
2954785
130 456 ₸