MACX MCR-TS-I-OLP
Артикул:
2908662
571 815 ₸
Цена может уточняться у менеджера
в наличие
Срок доставки: 1 - 7 дней
Описание
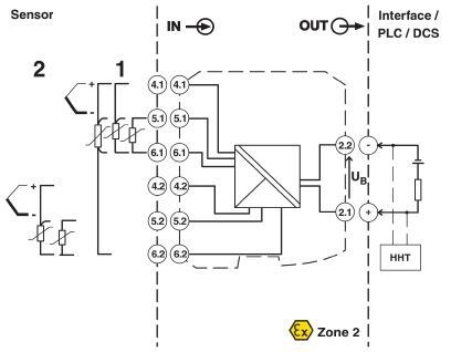
Измерительный температурный преобразователь с питанием от выходного контура, два универсальных входа для термоэлементов, датчик сопротивления и напряжения, связь HART, конфигурируемый, с возможностью установки в зоне 2, SIL 2/3
Характеристики
ATEX
II 3G Ex nA IIC T6...T4 Gc
China RoHS
Период времени для применения по назначению: не ограничен = EFUP-e
CSA
NI / Class I / Div. 2 / ABCD T6/T5/T4
ECl@ss 4.0
27200200
ECl@ss 4.1
27200200
ECl@ss 5.0
27200200
ECl@ss 5.1
27200200
ECl@ss 6.0
27200200
ECl@ss 7.0
27200206
ECl@ss 8.0
27200206
ECl@ss 9.0
27210129
ETIM 2.0
EC001446
ETIM 3.0
EC001446
ETIM 4.0
EC001446
ETIM 5.0
EC001446
ETIM 6.0
EC002919
ETIM 7.0
EC002919
FM
NI, Class I, Div. 2, Groups A, B, C, D
UL, США / Канада
UL 61010 Recognized
Высота
99 мм
Выходной сигнал, ток
4 мА ... 20 мА
Глубина
114, 5 мм
Диапазон измерения температуры
-250 °C ... 2500 °C (Диапазон в зависимости от типа датчика)
Диапазон напряжения питания
12 В ... 42 В (Стандартный)
Диапазон сопротивлений, линейн.
10 Ω ... 2000 Ω (Мин. измерительный диапазон: 10 Ω)
Длина снятия изоляции
7 мм
Допустимая отн. влажность воздуха (при эксплуатации)
5 % ... 95 % (без выпадения конденсата)
Категория перенапряжения
II
Конфигурируемый / программируемый
нет
Макс. выходной ток
23 мА
Макс. рабочая высота
≤ 4000 м (через NN)
Момент затяжки
0, 5 Нм ... 0, 6 Нм
Применяемые типы датчиков (RTD)
Платиновый, никелевый, медный датчики: 2-, 3-, 4-проводн.
Применяемые типы датчиков (TC)
A, B, C, D, E, J, K, L, N, R, S, T, U
Резьба винтов
M3
Сечение гибкого провода
0, 2 мм² ... 2, 5 мм²
Сечение жесткого провода
0, 2 мм² ... 2, 5 мм²
Сечение проводника AWG
24 ... 14
Соответствие нормам
Соответствие CE
Степень загрязнения
2
Степень защиты
IP20
Температура окружающей среды (при эксплуатации)
-40 °C ... 85 °C
Температура окружающей среды (хранение/транспорт)
-40 °C ... 100 °C
Тип подключения
Винтовые зажимы
Цвет
cерый
Ширина
12, 5 мм
Похожие товары
Смотреть все →
EMG 90-DIO 32M
2954934
148 927 ₸
EMG 90-DIO 32P
2954918
140 493 ₸
EMG 90-DIO 17E
2954895
117 431 ₸
EMG 45-DIO 8M-1N5408
2954882
52 829 ₸
EMG 45-DIO 8P-1N5408
2954879
56 003 ₸
EMG 90-DIO 16E/LP
2954808
120 270 ₸
EMG 45-DIO 8E/LP
2954798
56 921 ₸
EMG 90-DIO 32M/LP
2954785
130 456 ₸