MACX MCR-SL-RPSSI-I-SP
Артикул:
2924207
280 551 ₸
Цена может уточняться у менеджера
в наличие
Срок доставки: 1 - 7 дней
Описание
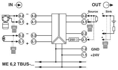
Разделит. усилители с развязкой питания и входов, HART. Передает активный сигнал 0/4-20 мА на нагрузку (активную или пассивную). Гальваническая развязка трех цепей; SIL 2 согласно МЭК 61508.
Характеристики
ATEX
II 3 G Ex nA II T4 Gc X
China RoHS
Период времени для применения по назначению (EFUP): 50 лет
DNV GL-EMC
A
ECl@ss 4.0
27210100
ECl@ss 4.1
27210100
ECl@ss 5.0
27210100
ECl@ss 5.1
27210100
ECl@ss 6.0
27210100
ECl@ss 7.0
27210120
ECl@ss 8.0
27210120
ECl@ss 9.0
27210120
ETIM 4.0
EC002653
ETIM 5.0
EC002653
ETIM 6.0
EC002653
ETIM 7.0
EC002653
REACh SVHC
Lead 7439-92-1
SIL
2
UL, США / Канада
UL 61010 Listed
UNSPSC 11
39121008
UNSPSC 12.01
39121008
UNSPSC 13.2
39121008
UNSPSC 18.0
39121008
UNSPSC 19.0
39121008
UNSPSC 20.0
39121008
UNSPSC 21.0
39121008
UNSPSC 6.01
30211506
UNSPSC 7.0901
39121008
Вибрация DNV GL
A
Влажность DNV GL
B
Входной сигнал тока
4 мА ... 20 мА
Высота
116, 7 мм
Выходной сигнал, ток
4 мА ... 20 мА (активный)
Выходные характеристики при ошибке
0 мА (Разрыв кабеля на входе)
Гальваническая развязка
300 Вэфф (Расчетное напряжение изоляции (категория перенапряжения II; степень загрязнения 2, безопасное разделение согласно EN 61010-1))
Глубина
113, 7 мм
Диаметр, макс.
2 мм
Диапазон напряжения питания
19, 2 В DC ... 30 В DC (24 В DC -20 %...+25 %)
Диапазон номинального напряжения питания
19, 2 В DC ... 30 В DC (24 В DC -20 %...+25 %)
Диапазон сигнала просадки / перегрузки
0 мА ... 24 мА (расширенный диапазон скорости передачи для диагностики)
Длина снятия изоляции
8 мм
Допустимая отн. влажность воздуха (при эксплуатации)
10 % ... 95 % (без выпадения конденсата)
Излучение помех
EN 61000-6-4
Излучение электромагнитных помех
EN 61000-6-4
Индикатор состояния
зеленый светодиод (напряжение питания)
Категория перенапряжения
II
Количество каналов
1
Коэффициент пульсаций на выходе
eff
Макс. рабочая высота
≤ 2000 м
Материал корпуса
PA 6.6-FR
Наименование
Режим питающего разделительного усилителя
Наименование, подключение
Контрольное гнездо
Напряжение питания передатчика
> 21, 5 В (20 мА)
Номинальное напряжение питания
24 В DC
Оболочка DNV GL
Required protection according to the Rules shall be provided upon installation on board
Ограничение износа
ЭМС: продукт класса А, см. декларацию производителя в разделе загрузок
Передаточная характеристика
1:1 для входного сигнала
Поддерживаемые протоколы
HART
Помехоустойчивость
EN 61000-6-2 В случае электромагнитных помех возможны незначительные отклонения.
Сечение гибкого провода
0, 2 мм² ... 1, 5 мм²
Сечение жесткого провода
0, 2 мм² ... 1, 5 мм²
Сечение проводника AWG
24 ... 16
Сигнальный вход
Активный вход тока
Сигнальный выход
Выход тока (активный и пассивный)
Соответствие нормам
Соответствие требованиям ЕС, в дополнение к EN 61326
Степень загрязнения
2
Степень защиты
IP20 (не проверено согласно UL)
Температура DNV GL
B
Температура окружающей среды (при эксплуатации)
-20 °C ... 60 °C (для установки в любом положении)
Температура окружающей среды (хранение/транспорт)
-40 °C ... 80 °C
Тип подключения
Зажимы Push-in
Функция HART
есть
Цвет
cерый
Ширина
12, 5 мм
Электромагнитная совместимость
Соответствует Директиве по ЭМС
Похожие товары
Смотреть все →
EMG 90-DIO 32M
2954934
148 927 ₸
EMG 90-DIO 32P
2954918
140 493 ₸
EMG 90-DIO 17E
2954895
117 431 ₸
EMG 45-DIO 8M-1N5408
2954882
52 829 ₸
EMG 45-DIO 8P-1N5408
2954879
56 003 ₸
EMG 90-DIO 16E/LP
2954808
120 270 ₸
EMG 45-DIO 8E/LP
2954798
56 921 ₸
EMG 90-DIO 32M/LP
2954785
130 456 ₸