MACX MCR-SL-2NAM-T
Артикул:
2865036
203 593 ₸
Цена может уточняться у менеджера
в наличие
Срок доставки: 1 - 7 дней
Описание
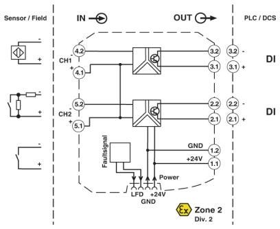
Коммутирующий разделительный усилитель NAMUR, 2-канальный для обеспечения работы бесконтактных датчиков и выключателей. Сигналы передаются через транзисторные выходы (пассивные) на уровень управления. Функция обнаружения ошибок в линии, гальваническая развязка 3 цепей, SIL 2, винтовые зажимы.
Характеристики
ATEX
II 3 G Ex nA IIC T4 Gc X
China RoHS
Период времени для применения по назначению (EFUP): 50 лет
DNV GL-EMC
B
ECl@ss 4.0
27210100
ECl@ss 4.1
27210100
ECl@ss 5.0
27210100
ECl@ss 5.1
27210100
ECl@ss 6.0
27210100
ECl@ss 7.0
27210121
ECl@ss 8.0
27210121
ECl@ss 9.0
27210121
ETIM 2.0
EC001485
ETIM 3.0
EC001485
ETIM 4.0
EC001485
ETIM 5.0
EC001485
ETIM 6.0
EC001485
ETIM 7.0
EC001485
REACh SVHC
Lead 7439-92-1
SIL
2
UL, США / Канада
UL 508 Listed
UNSPSC 11
39121008
UNSPSC 12.01
39121008
UNSPSC 13.2
39121008
UNSPSC 18.0
39121008
UNSPSC 19.0
39121008
UNSPSC 20.0
39121008
UNSPSC 21.0
39121008
UNSPSC 6.01
30211506
UNSPSC 7.0901
39121008
Вибрация DNV GL
A
Влажность DNV GL
B
Высота
112, 5 мм
Выходной переключающий контакт
1. Транзисторный выход, пассивный (на канал)
Гальваническая развязка
300 Вэфф (Расчетное напряжение изоляции (категория перенапряжения II; степень загрязнения 2, безопасное разделение согласно EN 61010-1))
Глубина
113, 7 мм
Диапазон напряжения питания
19, 2 В DC ... 30 В DC (24 В DC -20 %...+25 %)
Длина снятия изоляции
7 мм
Допустимая отн. влажность воздуха (при эксплуатации)
10 % ... 95 % (без выпадения конденсата)
Излучение помех
EN 61000-6-4
Излучение электромагнитных помех
EN 61000-6-4
Индикатор состояния
зеленый светодиод (напряжение питания)
Категория перенапряжения
II
Количество каналов
2
Критерий оценки
A
Максимальное напряжение переключения
30 В DC
Максимальный коммутационный ток
50 мА (защищен от коротких замыканий)
Макс. рабочая высота
≤ 2000 м
Материал корпуса
PA 6.6-FR
Минимальное напряжение переключения
3 В DC
Мин. ток контакта
5 мА (защищен от коротких замыканий)
Момент затяжки
0, 5 Нм ... 0, 6 Нм
Наименование
Вход / выход / питание, шинные соединители на DIN-рейке
Напряжение без нагрузки
~ 8 В DC
Номинальное напряжение питания
24 В DC
Обнаружение нарушений в линии
Разрыв 0, 05 мА IN
Оболочка DNV GL
Required protection according to the Rules shall be provided upon installation on board
Ограничение износа
ЭМС: продукт класса А, см. декларацию производителя в разделе загрузок
Помехоустойчивость
EN 61000-6-2
Порог переключения (без ослабления)
> 2, 1 мА (проводящий)
Потребляемая мощность
1000 мВт
Применяемые входные источники
Бесконтактные датчики NAMUR (EN 60947-5-6)
Рассеиваемая мощность
1000 мВт
Резьба винтов
M3
Сечение гибкого провода
0, 2 мм² ... 2, 5 мм²
Сечение жесткого провода
0, 2 мм² ... 2, 5 мм²
Сечение проводника AWG
24 ... 14
Соответствие нормам
Соответствие требованиям ЕС, в дополнение к EN 61326
Стандарты / нормативные документы
EN 61000-4-3
Степень загрязнения
2
Степень защиты
IP20 (не проверено согласно UL)
Температура DNV GL
B
Температура окружающей среды (при эксплуатации)
-20 °C ... 60 °C (для установки в любом положении)
Температура окружающей среды (хранение/транспорт)
-40 °C ... 85 °C
Тип подключения
Винтовые зажимы
Ток короткого замыкания
~ 8 мА
Уровни совокупной безопасности (SIL)
1
Цвет
cерый
Частота переключения
≤ 5 кГц
Ширина
12, 5 мм
Электромагнитная совместимость
Соответствует Директиве по ЭМС
Похожие товары
Смотреть все →
EMG 90-DIO 32M
2954934
148 927 ₸
EMG 90-DIO 32P
2954918
140 493 ₸
EMG 90-DIO 17E
2954895
117 431 ₸
EMG 45-DIO 8M-1N5408
2954882
52 829 ₸
EMG 45-DIO 8P-1N5408
2954879
56 003 ₸
EMG 90-DIO 16E/LP
2954808
120 270 ₸
EMG 45-DIO 8E/LP
2954798
56 921 ₸
EMG 90-DIO 32M/LP
2954785
130 456 ₸