MACX MCR-SL-2NAM-R-UP
Артикул:
2865052
212 255 ₸
Цена может уточняться у менеджера
в наличие
Срок доставки: 1 - 7 дней
Описание
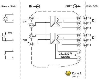
2-канальный коммутирующий разделительный усилитель NAMUR с широким диапазоном напряжений питания для бесконтактных датчиков и выключателей. Каждый канал оснащен реле с преобразующим контактом, используемым в качестве сигнального выхода. Обнаружение неисправностей (LFD), развязка 3 цепей, винтовые зажимы, SIL 2.
Характеристики
ATEX
II 3 G Ex nA nC IIC T4 Gc X
China RoHS
Период времени для применения по назначению (EFUP): 50 лет
DNV GL-EMC
A
ECl@ss 4.0
27210100
ECl@ss 4.1
27210100
ECl@ss 5.0
27210100
ECl@ss 5.1
27210100
ECl@ss 6.0
27210100
ECl@ss 7.0
27210121
ECl@ss 8.0
27210121
ECl@ss 9.0
27210121
ETIM 2.0
EC001485
ETIM 3.0
EC001485
ETIM 4.0
EC001485
ETIM 5.0
EC001485
ETIM 6.0
EC001485
ETIM 7.0
EC001485
REACh SVHC
Lead 7439-92-1
SIL
2
UL, США / Канада
UL 508 Listed
UNSPSC 11
39121008
UNSPSC 12.01
39121008
UNSPSC 13.2
39121008
UNSPSC 18.0
39121008
UNSPSC 19.0
39121008
UNSPSC 20.0
39121008
UNSPSC 21.0
39121008
UNSPSC 6.01
30211506
UNSPSC 7.0901
39121008
Вибрация DNV GL
A
Влажность DNV GL
B
Высота
112, 8 мм
Выходной переключающий контакт
Релейный выход
Гальваническая развязка
375 В (Амплитудное значение согласно EN 60079-11)
Глубина
113, 7 мм
Диапазон напряжения питания
19, 2 В AC/DC ... 253 В AC/DC (24 В AC/DC ... 230 В AC/DC (-20 % ... +10 %, 50/60 Гц))
Диапазон номинального напряжения питания
24 В AC/DC ... 230 В AC/DC
Длина снятия изоляции
7 мм
Долговечность механическая
107 коммутационных циклов
Допустимая отн. влажность воздуха (при эксплуатации)
10 % ... 95 % (без выпадения конденсата)
Излучение помех
EN 61000-6-4
Излучение электромагнитных помех
EN 61000-6-4
Индикатор состояния
Светодиод. индикатор, зеленый (напряжение питания, PWR)
Исполнение контакта
1 переключающий контакт на канал
Категория перенапряжения
III
Количество каналов
2
Коммутационная способность, макс.
500 ВА
Критерий оценки
A
Максимальное напряжение переключения
250 В AC (2 A, 60 Гц)
Макс. рабочая высота
≤ 2000 м
Материал контакта
AgSnO2, твердое золочение
Материал корпуса
PA 6.6-FR
Момент затяжки
0, 5 Нм ... 0, 6 Нм
Наименование
Вход / выход
Напряжение без нагрузки
~ 8 В DC
Обнаружение нарушений в линии
Разрыв 0, 05 мА IN
Оболочка DNV GL
Required protection according to the Rules shall be provided upon installation on board
Ограничение износа
ЭМС: продукт класса А, см. декларацию производителя в разделе загрузок
Помехоустойчивость
EN 61000-6-2
Порог переключения (без ослабления)
> 2, 1 мА (проводящий)
Потребляемая мощность
≤ 1, 3 Вт
Применяемые входные источники
Бесконтактные датчики NAMUR (EN 60947-5-6)
Рассеиваемая мощность
≤ 1, 3 Вт
Сечение гибкого провода
0, 2 мм² ... 2, 5 мм²
Сечение жесткого провода
0, 2 мм² ... 2, 5 мм²
Сечение проводника AWG
24 ... 14
Соответствие нормам
Соответствие требованиям ЕС, в дополнение к EN 61326-1
Стандарты / нормативные документы
EN 61000-4-3
Степень загрязнения
2
Ступенчатая характеристика (10-90%)
тип. 6 мс (Замыкающий контакт: Выход-Вход)
Температура DNV GL
B
Температура окружающей среды (при эксплуатации)
-20 °C ... 60 °C
Температура окружающей среды (хранение/транспорт)
-40 °C ... 85 °C
Тип подключения
Винтовые зажимы
Ток короткого замыкания
~ 8 мА
Уровни совокупной безопасности (SIL)
1
Цвет
cерый
Частота переключения
≤ 20 Гц (зависимый от нагрузки)
Ширина
17, 5 мм
Электромагнитная совместимость
Соответствует Директиве по ЭМС
Похожие товары
Смотреть все →
EMG 90-DIO 32M
2954934
148 927 ₸
EMG 90-DIO 32P
2954918
140 493 ₸
EMG 90-DIO 17E
2954895
117 431 ₸
EMG 45-DIO 8M-1N5408
2954882
52 829 ₸
EMG 45-DIO 8P-1N5408
2954879
56 003 ₸
EMG 90-DIO 16E/LP
2954808
120 270 ₸
EMG 45-DIO 8E/LP
2954798
56 921 ₸
EMG 90-DIO 32M/LP
2954785
130 456 ₸